5.1 Valgustuspaigaldised¶
5.1. Valgustuspaigaldised (üld-, turva- ja fassaadivalgustus)¶
Valgustuspaigaldis on hoone või rajatise üks olulisemaid elektripaigaldise osi, mis tagab vajaliku nähtavuse, ohutuse, töökeskkonna kvaliteedi ja esteetilise ilme. Kvaliteetne valgustuslahendus arvestab nii funktsionaalseid vajadusi kui ka energiatõhusust ja kasutajamugavust.
5.1.1. Üldnõuded ja standardid¶
- Põhistandardid: Valgustuspaigaldiste projekteerimisel lähtuda:
- EVS-EN 12464-1: Valgus ja valgustus. Töökohtade valgustus. Osa 1: Sisetöökohad.
- EVS-EN 12464-2: Valgus ja valgustus. Töökohtade valgustus. Osa 2: Välistöökohad.
- EVS-EN 1838: Rakendusvalgustus. Hädavalgustus.
- EVS-HD 60364 seeria: Ehitiste elektripaigaldised.
- CIE 97:2005: Juhend sisevalgustuse hooldustegurite määramiseks.
- Disainiprintsiibid:
- Valgustihedus: Tagada vastavalt ruumi otstarbele piisav valgustihedus (lx) ja selle ühtlus.
- Räigus: Piirata räigust (UGR) vastavalt standardi nõuetele.
- Värviedastus: Valida sobiv värvsustemperatuur (K) ja tagada piisav värviedastusindeks (CRI/Ra).
- Hooldustegur: Arvestada hooldusteguriga (MF) kogu hooldeperioodi vältel.
- Energiatõhusus: Optimeerida energiatõhusust, kasutada päevavalgust ja efektiivseid juhtimisstrateegiaid.
- Kooskõlastamine: Valgustuslahendus kooskõlastada arhitekti ja sisearhitektiga.
5.1.2. Dokumentatsiooni esitamine staadiumiti¶
| Staadium | Dokumentatsiooni sisu |
|---|---|
| EP (Eelprojekt) | • Valgustuse üldine kontseptsioon • Põhimõtteline valgustite paigutus suuremates ruumides • Juhtimistsoonide piirjooned ja juhtimise põhimõtted • Hädavalgustuse vajadus ja põhimõtteline tüüp • Fassaadivalgustuse kontseptsioon |
| PP (Põhiprojekt) | • Kõik EP mahus, täpsustatuna • Üldvalgustuse plaan (EHR 5-300): valgustite täpsed asukohad, tüübi tähised, lülitite ja andurite asukohad, juhtimisgrupid • Hädavalgustuse plaan (EHR 5-400): hädavalgustite ja ohutusmärkide asukohad, evakuatsiooniteed • Fassaadivalgustus vaadetel • Valgustusarvutuste raportid |
| TP (Tööprojekt) | • Kõik PP mahus, täpsustatuna • Kaabeldus valgustitest jaotuskeskusteni • Gruppide numbrid ja viited jaotuskeskusele • Hädavalgustuse kesktoitesüsteemi kaabeldus • Adresseeritavate valgustite aadressid |
5.1.3. Valgustusarvutused¶
- Vajalikkus: Arvutused teostada vähemalt standardites nõutud ruumidele.
- Tarkvara: Kasutada spetsialiseeritud tarkvara (DIALux, Relux).
- Lähteandmed: Ruumide mõõtmed, pindade peegeldustegurid, valgustite fotomeetrilised andmed (ldt/ies-failid), hooldustegur.
- Dokumenteerimine: Arvutusraportid lisada projektile (PP ja TP staadiumis). Vt ptk 3.7.
5.1.4. Valgustite valik ja spetsifikatsioonid¶
- PP staadium: Määratleda valgustitelt nõutavad parameetrid: valgusvoog (lm), efektiivsus (lm/W), võimsus (W), värvsustemperatuur (K), värviedastusindeks (CRI/Ra), räiguse piirväärtus (UGR), eluiga, valgusjaotuskõver, kaitseaste (IP/IK), juhtimisvõimalus. Võib esitada referentstoote.
- TP staadium: Konkreetsed valitud valgustite mudelid koos tootja ja tootekoodiga.
- Loetelud: Valgustite loetelu ja valgusallikate loetelu vastavalt ptk 3.6.
5.1.5. Valgustuse juhtimine¶
- Strateegiad:
- Käsitsi lülitamine
- Automaatne lülitamine (liikumis- ja kohalolekuandurid)
- Päevavalguse kompensatsioon (valgusandurid)
- Ajapõhine juhtimine (programmkellad)
- Stseenide loomine ja hämardamine
- Tsentraalsed juhtimissüsteemid (DALI, KNX)
- Dokumenteerimine:
- Plaanidel näidata juhtimisgrupid ja juhtimisseadmete asukohad
- Keerukamate süsteemide puhul koostada eraldi struktuur- ja ühendusskeemid
- DALI skeemide koostamine (elektriprojekteerija):
- DALI struktuurskeem: Süsteemi ülesehitus, kontrollerid, toiteallikad, siinikonfiguratsioon. Näidata DALI liinid ja nende ühendused kontrolleritega.
- DALI ühenduskeem: Seadmete ühendused siiniga, aadressid, gruppide kuuluvus.
- DALI aadressitabel: Iga seadme aadress (0-63), grupp (0-15), stseenide seaded. Vt jaotis 5.1.9.
- DALI-2 nõuded: Kasutada DALI-2 sertifitseeritud seadmeid. Viide standardile: IEC 62386.
- Tehnilised piirangud: Maksimaalselt 64 seadet ühel DALI liinil, kuni 16 gruppi ja 16 stseeni liini kohta.
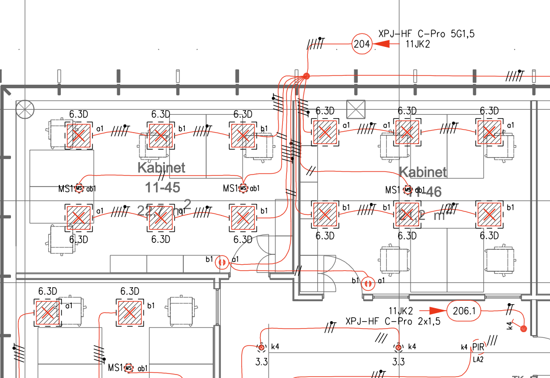
5.1.6. Valgustuse plaanid¶
- Üldvormistus: Järgida ptk 3.4 nõudeid. EHR kood: 5-300.
- EP staadium: Valgustuse kontseptsiooni kirjeldus.
- PP staadium: Täpne valgustite paigutus, lülitite ja andurite asukohad, juhtimisgruppide märgistus, süsteemide eristamine.

- TP staadium: Kogu PP info + kaabeldus + gruppide numbrid.


5.1.7. Hädavalgustus (turvavalgustus)¶
- Standard: EVS-EN 1838. Arvestada tuleohutusosa projektis määratletud nõuetega.
- Liigid:
- Evakuatsioonitee valgustus: Inimeste ohutu väljumine.
- Paanikavältimisvalgustus: Suuremates ruumides paanika vältimiseks.
- Kõrge riskiga tööala valgustus: Ohtlike protsesside ohutuks lõpetamiseks.
- Ohutusmärgid: Evakuatsiooniteid ja -pääse tähistavad märgid.
- Süsteemi tüüp: Autonoomsed valgustid või kesktoitesüsteem (CBS). Määratleda autonoomiaaeg (1h, 3h) ja seiresüsteem.
- Arvutused: Kontrollida valgustiheduste saavutamist (min 1 lx evakuatsioonitee keskjoonel, min 0,5 lx paanikavältimisalal).
- Plaanid (EHR 5-400): Hädavalgustite asukohad, evakuatsiooniteed, tuleohutuspaigaldiste asukohad, keskseadmete asukohad.
- Kesktoitesüsteem: Näidata keskaku liinide koormused aku mahtuvuse kontrollimiseks.
- Tööde jaotus:
- Valgustusdisainer: Hädavalgustite ja ohutusmärkide asukohad, tüübid, valgustusarvutused (evakuatsiooniteede valgustihedus), süsteemi tüübi määratlemine.
- Elektriprojekteerija: Kesktoitesüsteemi skeemid, kaabeldus (sh tulekindlad kaablid), seiresüsteemi ühendused, hädavalgustuse struktuurskeemid, aku mahtuvuse arvutused.
5.1.8. Fassaadivalgustus¶
- Standard: EVS-EN 12464-2.
- Nõuded: Määratleda vastavalt ala kasutusele. Arvestada valgussaaste vältimisega.
- Plaanid: Näidata hoone vaadetel, lisada positsioonid ja läbiviigud.
- Juhtimine: Hämaraandur, kell, kalender, keskjuhtimine. Kooskõlastada võimalik liitumine linna tänavavalgustuse juhtimisvõrguga.
5.1.9. Loetelud ja skeemid¶
- Loetelud: Valgustite loetelu ja valgusallikate loetelu vastavalt ptk 3.6.
- Skeemid:
- Valgustuse juhtimise struktuurskeem: Keerukamate süsteemide (DALI, KNX) puhul. Näidata süsteemi struktuuri, komponente ja ühendusi.
- Hädavalgustuse skeemid: Kesktoitesüsteemide ja keskseirega süsteemide puhul.
- DALI aadressitabel (elektriprojekteerija):
- Iga adresseeritava seadme aadress (0-63)
- Grupi kuuluvus (0-15)
- Stseenide seaded ja tasemed
- Seadme tüüp ja positsioonitähis
- Asukoht (ruum, korrus)
- Juhtimisliin (DALI liini number)
- Märkused (nt päevavalguskompensatsioon, kohalolekuandur)
5.1.10. Tööde jaotus ja koostöö¶
Valgustuse projekteerimine nõuab tihedat koostööd valgustusdisaineri ja elektriprojekteerija vahel. Tööde jaotus määratletakse projekti algstaadiumis ja fikseeritakse protokolliga.
5.1.10.1. Valgustusdisaineri töömaht¶
Valgustusdisaineri vastutusalasse kuulub tavaliselt:
- Valgustuse plaanid:
- Valgustite asukohad ja tüübid kõigil korrustel
- Juhtimistsoonide ja -gruppide määratlemine
- Valgustuse mudel (BIM keskkonnas)
- Välisvalgustuse plaanid (valgustite paiknemine)
- Valgustite spetsifitseerimine:
- Valgustitelt nõutavate parameetrite määratlemine (valgusvoog, CCT, CRI, UGR jne)
- Referentstoodete esitamine või konkreetsete valgustite valik
- Erand: tehnilised ruumid (kilbiruumid, tehnoruumid), kus valgusti valib elektriprojekteerija
- Valgustusarvutused:
- Valgustiheduse ja ühtluse arvutused (DIALux, Relux)
- Räiguse (UGR) kontroll
- Hädavalgustuse arvutused
- Hädavalgustus:
- Hädavalgustite ja ohutusmärkide asukohad
- Evakuatsiooniteede valgustuse arvutused
- Süsteemi tüübi (autonoomsed / kesktoide) määratlemine
- Valgustuse juhtimine:
- Juhtimiskontseptsiooni väljatöötamine ja tellijaga kooskõlastamine
- Stsenaariumide määratlemine
- Juhtimistsoonide ja -loogika kirjeldamine
5.1.10.2. Elektriprojekteerija töömaht¶
Elektriprojekteerija vastutusalasse kuulub:
- Valgustuse kaabeldus ja toide:
- Kaabelduse projekteerimine valgustusdisaineri plaanide alusel (Xref)
- Gruppide moodustamine ja numeratsioon
- Koormusarvutused ja kaitsete valik
- Kaablitüüpide ja paigaldusviiside määratlemine
- Juhtimisskeemid:
- DALI juhtimisskeemid ja ühendusskeemid
- DALI aadressitabelid
- KNX või muude süsteemide skeemid
- Hädavalgustuse struktuurskeemid
- DMX juhtimisskeemid (fassaadivalgustus, arhitektuurne valgustus)
- Kilbilahendused:
- Valgustusgruppide kajastamine kilbiskeemides
- Juhtimisseadmete (DALI kontrollerid, toiteallikad) kajastamine
- Hädavalgustuse keskseadmete ühendused
- Hämaraandurite ja programmkella ühendused (välisvalgustus)
- Välisvalgustuse kaabeldus:
- Välisvalgustuse plaan kaabliteedega (TP staadiumis)
- Kaablitüübid ja paigaldusviisid
- Mastide ja vundamentide ühendusdetailid
- Aluseks valgustusdisaineri välisvalgustuse plaan
- Tehnilised ruumid:
- Valgustite valik ja projekteerimine tehnoruumides, kilbiruumides, garaažides jm
5.1.10.3. Tööde piiritluse protokollimine¶
Tööde piiritlus fikseeritakse projekti algstaadiumis:
- Aeg: Eskiis- või eelprojekti alguses
- Vorm: Protokoll, lähteülesande lisa või projekteerimislepingu osa
- Olulised punktid:
- Kes spetsifitseerib valgustid (ja millistes ruumides on erandid)
- Kes koostab hädavalgustuse plaanid ja arvutused
- Kes vastutab juhtimiskontseptsiooni eest
- Kes koostab juhtimisskeemid
- Failide vahetamise kord ja formaat (DWG, IFC, Xref)
- Versioonihalduse põhimõtted
5.1.10.4. Koostöö põhimõtted¶
- Alusplaanid: Elektriprojekteerija kasutab valgustusdisaineri plaane Xref-ina, mitte kopeerides. See tagab automaatse ajakohastamise.
- Muudatuste haldus: Valgustusdisaineri plaanide muutumisel teavitatakse elektriprojekteerijat koheselt. Muudatuste mõju hindamine toimub ühiselt.
- BIM koordineerimine: Valgustuse mudel ja elektrimudel peavad olema kooskõlas. Regulaarne ristumiste kontroll ja probleemide lahendamine BCF formaadis.
- Regulaarne suhtlus: Mõlemad osapooled osalevad projekteerimisnõupidamistel. Kriitilised küsimused lahendatakse enne järgmist projektistaadiumit.
Märkus: Valgustuslahenduse kvaliteet ja energiatõhusus sõltuvad lähteandmete täpsusest, hoolikast projekteerimisest ning tõhusast koostööst valgustusdisaineri ja elektriprojekteerija vahel. Tööde piiritluse varajane kokkuleppimine aitab vältida dubleerimist ja lünki.